
产品的用途和适应范围
电动调节阀是自动调节控制管道流量的装置,适用于中央空调系统、热交换系统的流体流量的控制,使其更好的控制环境的温度。
产品结构及工作原理
电动调节阀由阀门和驱动器组成(驱动器的结构和原理详见后附的执行器说明书) 电动调节阀由阀体、阀盖、阀座、阀瓣、阀杆及密封件的零件组成 电动调节阀是在驱动器的作用下,阀杆带动阀瓣做上升和下降运动,改变阀瓣与阀座间的流通面积,以便调节并控制介质的流量。
阀门和驱动器选型表(仅供参考)
| DN(mm) | 25 | 32 | 40 | 50 | 65 | 80 | 100 | 125 | 150 | 200 | 250 | 300 |
| Kv | 10 | 16 | 25 | 40 | 63 | 100 | 160 | 250 | 280 | 350 | 500 | 700 |
| 执行器型号 | SA715/SA310 | SA710 | ||||||||||
| SM640 | SM740 | ----------------------- | ||||||||||
| 输出力N | 1000 | 2500 | 4000 | |||||||||
阀体流向图解

安装与维护
1、安装阀门前应保证管道清洁,没有焊接时留下的氧化皮、金属片及沙、石等其他杂物。常见故障
| 故障现象 | 检查故障原因 |
| 电机不动作 | 1、 没有电源输入 2、 电路板焊点松动 3、 限位开关焊点松动或损坏 4、 电机损坏 |
| 阀在调节过程中停止 | 1、阀体内进入异物 |
| 到极限位置电机转动仍不停止 | 1、 电容焊点松动或击穿 2、 限位开关松动 |
| 执行器驱动力减小 | 1、 电机电压不足 2、 电源电压偏低 |
| 阀瓣达不到全闭位置 | 1、 管路压差过大 2、 阀体内有异物被卡 3、 执行机构连接杆过短 |
| 阀杆连接处泄漏 | 1、 填料牙套松动,旋转压紧螺母半圈 2、 填料密封件或阀杆已损坏 |
LT系列螺纹连接电动调节阀

阀门连接尺寸
| DN | 内螺纹(G) | L | H | H1 | H1 | H2 |
| 25 | 1〃 | 100 | 49 | 68 | 132 | 180 |
| 32 | 1-1/4〃 | 110 | 52 | 71 | 136 | 180 |
| 40 | 1-1/2〃 | 120 | 52 | 73 | 145 | 180 |
| 50 | 2〃 | 130 | 54 | 75 | 145 | 180 |
| 65 | 2-1/2〃 | 159 | 72 | 102 | 155 | 300 |
注:H为三通阀连接尺寸。H2为连接驱动器预留空间尺寸,仅供参考。
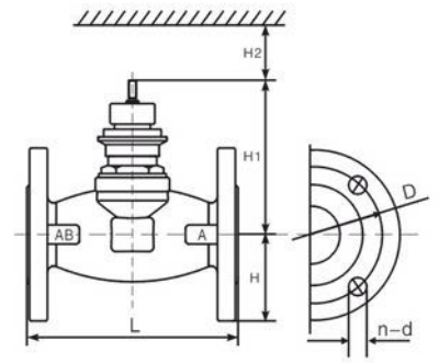
LT系列法兰连接电动调节阀


阀门连接尺寸 单位:mm
| DN | L | D | H | H11 | H1 | H2 | n-d |
| 32 | 170 | 100 | 70 | 93 | 125 | 180 | 4-18 |
| 40 | 170 | 110 | 116 | 93 | 135 | 180 | 4-18 |
| 50 | 205 | 125 | 125 | 100 | 135 | 180 | 4-18 |
| 65 | 190 | 145 | 138 | 113 | 135 | 300 | 4-18 |
| 80 | 203 | 160 | 145 | 120 | 135 | 450 | 8-18 |
| 100 | 229 | 180 | 155 | 128 | 153 | 450 | 8-18 |
| 125 | 254 | 210 | 183 | 155 | 165 | 450 | 8-18 |
| 150 | 267 | 240 | 203 | 175 | 172 | 450 | 8-22 |
| 200 | 330 | 295 | 230 | 215 | 225 | 450 | 12-22 |
| 250 | 460 | 355 | 258 | 360 | 260 | 450 | 12-26 |
| 300 | 500 | 410 | 270 | 365 | 300 | 450 | 12-26 |
| 350 | 620 | 470 | 300 | 400 | 310 | 450 | 16-26 |
| 400 | 760 | 525 | 310 | 410 | 380 | 450 | 16-30 |
| 450 | 760 | 585 | 360 | 480 | 480 | 1170 | 20-30 |
| 500 | 980 | 650 | 372 | 492 | 575 | 1170 | 20-33 |
注:H为三通阀连接尺寸。H2为连接驱动器预留空间尺寸,仅供参考。
| 购买人 | 会员级别 | 数量 | 属性 | 购买时间 |
|---|