
ZJHT系列气动二级笼式调节阀集合了单座单级多孔笼式调节阀和多级套筒阀的各种优点,独特的对称多孔笼式阀瓣更加有效的控制噪音,分级减压不仅可以适应气体节流扩散与膨胀对控制高压差可能出现的闪蒸和气蚀有独特的作用,可量身定做各种流量系数满足客户更家细致的工艺要求,可选择多弹簧气动簿膜机构或电动执行机构等。
阀体部分:
| 阀体型式: | 直通铸造球型阀 |
| 公称通径: | DN20 、25 、32 、40 、50 、65 、80 、100 、200 |
| 公称压力: | PN 1.6、2.5、4.0、6.4、10.0Mpa |
| ANSI 150、300、 600Lb | |
| JIS 10K、20K、30K、40K | |
| 连接方式: | 法兰:FF、RF、RTJ、等 |
| 螺纹:(适用于 1”以下) | |
| 焊接:SW、BW | |
| 法兰距: | 符合IEC 534 |
| 阀盖形式: | 标准型、加长型(散热、低温、波纹管密封) |
| 填 料: | V型聚四氟乙烯、柔性石墨填料等 |
| 密封垫: | 金属夹石墨密封垫、聚四氟乙烯垫 |
| 执行机构: | 气动:多弹簧执行机构 、单弹簧执行机构 |
| 电动:3810L系列 、PSL系列 |
阀内部件:
| 阀芯型式: | 二级笼式套筒 |
| 流量特性: | 等百分比、线性 、快开 |
| 内件材质: | 标准材质组合及使用温度、压力范围请参阅附录 |
表1.可提供的用户选择
| 阀体 | 型式 | 直通 | 阀盖 | 型式 | 标准、加长型 |
| 材质 | WCB、WC9、304、316等 | 材质 | WCB、WC9、304、316等 | ||
| 阀芯 | 特性 | 直线、等百分比、快开 | 填料 | “V”型PTFE、柔性石墨、波纹管 | |
| 材质 | 304、304+STL/PTFE、316、316+STL/PTFE | ||||
| 执行器 | 气动:见表8 | ||||
| 电动:见表7 | |||||
| 定位器 | 电气阀门定位器、智能型数字定位器 | ||||
| 附件 | 电磁阀、阀位反馈器、手操机构、保位阀、空气过滤减压器等 | ||||
表2.本体材质为碳钢
表3.本体材质为不锈钢
| ![]() | ||||||||||||||||||||||||||||||||||||||||||||||||||||||||||||||||||||||||||||||||||||||||||||||||||||||||||||||
1、以上为标准的配置结构,阀座为金属对金属,PTFE软阀座是VI级密封的可选件。还可提供用斯太莱合金涂层的硬化阀内件。针对具体使用温度,我们有更加合理的螺栓螺母选择。
2、PTFE V形环阀杆填料是的标准配置也可选用柔性石墨,一个配备石墨填料的加长型阀盖可用于温度超过232℃(450华氏温度)的场合。
3、标准的阀体材料是碳钢和不锈钢,还可以提供多种用于高腐蚀性应用场合的合金材料。
等百分比特性阀瓣 |
直线特性阀瓣 |
快开特性阀瓣 |
表4.ZJHT系列气动二级笼式调节阀尺寸及缩腔型内件与行程额定Cv值:
※ZJHT系列气动二级笼式调节阀专为高压差场合下特殊流量系数而量身设计,以上流量系数仅做参考,定货时我公司技术部门为根据你现场的工艺设计最合适控制阀流量系数。
图1.ZJHT系列气动二级笼式调节阀 等百分比特性曲线

图2.ZJHT系列气动二级笼式调节阀 直线特性曲线

表5.多弹簧薄膜式执行机构 单位:Mpa
| 气行机构规格 | 气源压力Kpa | 弹簧范围 Kpa | 阀芯尺寸 Inch(mm) | ||||||||||
3/4 20 | 1 25 | 1 1/4 32 | 1 1/2 40 | 2 50 | 2 1/2 65 | 3 80 | 4 100 | 5 125 | 6 150 | 8 200 | |||
| ZHB22 | 140 | 20~100 | 1.17 | 0.75 | - | - | - | - | - | - | - | - | - |
| 240 | 40~200 | 2.73 | 1.75 | - | - | - | - | - | - | - | - | - | |
| 300 | 80~240 | 5.85 | 3.75 | - | - | - | - | - | - | - | - | - | |
| ZHB23 | 140 | 20~100 | 1.64 | 1.05 | 0.63 | 0.4 | 0.26 | - | - | - | - | - | - |
| 240 | 40~200 | 3.82 | 2.45 | 1.49 | 0.96 | 0.61 | - | - | - | - | - | - | |
| 300 | 80~240 | 8.19 | 5.24 | 3.19 | 2.05 | 1.31 | - | - | - | - | - | - | |
| ZHB34 | 140 | 20~100 | - | - | 1.02 | 0.66 | 0.42 | 0.24 | 0.16 | 0.10 | - | - | - |
| 240 | 40~200 | - | - | 2.38 | 1.53 | 0.98 | 0.58 | 0.38 | 0.24 | - | - | - | |
| 300 | 80~240 | - | - | 5.12 | 3.28 | 2.10 | 1.24 | 0.82 | 0.52 | - | - | - | |
| ZHB45 | 140 | 20~100 | - | - | - | - | - | 0.40 | 0.26 | 0.17 | 0.11 | 0.07 | 0.02 |
| 240 | 40~200 | - | - | - | - | - | 0.93 | 0.61 | 0.39 | 0.25 | 0.17 | 0.07 | |
| 300 | 80~240 | - | - | - | - | - | 1.98 | 1.32 | 0.84 | 0.54 | 0.37 | 0.16 | |
※以上推荐使用压差等只是相对而言,针对各种压差会有多种配置组合,对于复杂的控制系统请您与我们技术部门联系,我们有多年的过程控制产品生产的经验,为您提供更合理的执行机构配置。
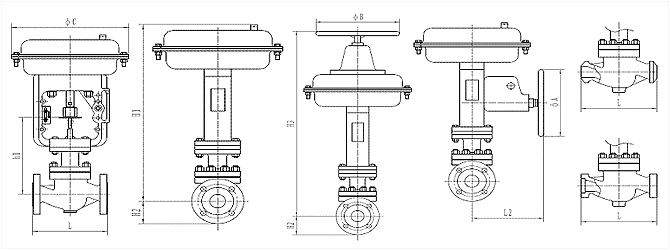
表6-配置ZH系列气动执行机构控制阀外形尺寸 单位: mm

| 阀门尺寸 | L | H1 | H2 | h1 | H3 | C | B | A | L2 | 执行机构 | ||||||
| inch | mm | ANSI150 PN16、25 | ANSI300 PN40 | ANSI600PN64、100 | ||||||||||||
| 3/4 | 20 | 184 | 7.25 | 184 | 7.25 | 206 | 8.12 | 425 | 53 | 213 | 704 | 288 | 200 | 200 | 289 | ZHB-22 |
| 1 | 25 | 184 | 7.25 | 184 | 7.25 | 210 | 8.25 | 435 | 58 | 218 | 710 | 288 | 200 | 200 | 289 | ZHB-22 |
| 1 1/4 | 32 | 200 | 7.87 | 200 | 7.87 | 251 | 9.88 | 448 | 70 | 231 | 722 | 288 | 200 | 200 | 289 | ZHB-22 |
| 1 1/2 | 40 | 222 | 8.75 | 222 | 8.75 | 251 | 9.88 | 448 | 75 | 231 | 722 | 288 | 200 | 200 | 289 | ZHB-23 |
| 2 | 50 | 254 | 10 | 254 | 10 | 286 | 11.25 | 487 | 83 | 255 | 740 | 288 | 200 | 200 | 289 | ZHB-23 |
| 2 1/2 | 65 | 276 | 10.88 | 276 | 10.88 | 311 | 12.25 | 628 | 93 | 311 | 884 | 360 | 355 | 355 | 347 | ZHB-34 |
| 3 | 80 | 298 | 11.75 | 317 | 12.50 | 337 | 13.25 | 645 | 98 | 328 | 902 | 360 | 355 | 355 | 347 | ZHB-34 |
| 4 | 100 | 352 | 13.88 | 368 | 14.50 | 394 | 15.50 | 656 | 115 | 328 | 913 | 360 | 355 | 355 | 347 | ZHB-34 |
| 5 | 125 | 420 | 16.53 | 400 | 15.75 | 500 | 19.69 | 806 | 125 | 389 | 1274 | 470 | 570 | 570 | 476 | ZHB-45 |
| 6 | 150 | 451 | 17.75 | 473 | 18.62 | 508 | 20.00 | 857 | 143 | 440 | 1325 | 470 | 570 | 570 | 476 | ZHB-45 |
| 8 | 200 | 600 | 21.38 | 568 | 22.38 | 610 | 24 | 926 | 180 | 514 | 1394 | 470 | 570 | 570 | 476 | ZHB-45 |
※由于产品改进和技术创新或者一些特殊要求,各种阀门的连接尺寸可能会有所变化,请联系我们技术部门,以得到最新的产品资料。我们也可按照你的现场要求定做特殊的结构尺寸的阀门。阀门的法兰焊接坡口等尺寸连接按照各种标准的相关要求。
| 购买人 | 会员级别 | 数量 | 属性 | 购买时间 |
|---|