ZK-ZDJD 电动高真空蝶阀
电动高真空蝶阀 概述
电动高真空蝶阀是适用于真空系统中接通或切断管路的介质流。 该阀采用回转型电动、电子调节式阀门驱动装置,可以通过外接电源的切换(用手动转位开关或电脑控制)或外部输入信号,来实现阀门开、关或中间位置的控制。阀门的阀板采用夹紧结构,把阀板的密封圈来夹紧,除了能用在真空状态下,也能在低压状态下使用。并可以任意位置安装。适用的工作介质为空气和非腐蚀性气体。
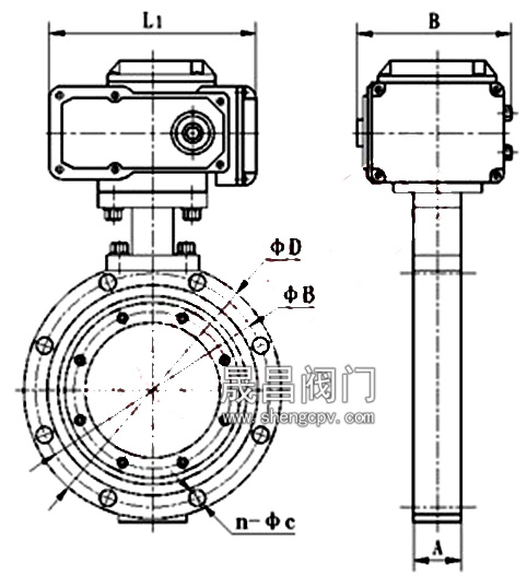
电动高真空蝶阀 外形连接尺寸和性能参数

| 公称通径 (DN) | 50 | 65 | 80 | 100 | 125 | 150 | 200 | 250 | 300 | 400 |
| 连接尺寸 | A | 26 | 32 | 35 | 50 | 55 | 60 |
| ΦD | 110 | 130 | 145 | 165 | 200 | 225 | 285 | 335 | 425 | 510 |
| ΦB | 90 | 110 | 125 | 145 | 175 | 200 | 260 | 310 | 395 | 480 |
| n-ΦC | 4-Φ9 | 8-Φ9 | 4-Φ12 | 12-Φ11 | 12-Φ14 | 16-Φ14 |
| 适用范围 (Pa) | 10 5 ~ 6.7x10 -4 |
| 漏气率( Pa.L/S) | 6.7X1010 -4 |
| 电磁阀电压( V/HZ ) | 220/50 |
| 气源压力( MPa ) | 0.4 ~ 0.6 |
| 法兰标准 | GB6070.3-85 |
| 安装位置 | 任意 |
| 介质温度 (℃) | 丁腈橡胶 -25 ~ +80 ,氟橡胶 -30 ~ +150 , |
| 主要件材质 | 阀体、阀板 | 碳钢(镀镍)或不锈钢 |
| 密封件 | 丁腈橡胶或氟橡胶 |