pp电动蝶阀-塑料蝶阀-PP-ZDJD
❤ 收藏

pp电动蝶阀-塑料蝶阀-PP-ZDJD

0.00
¥0.00
¥0.00
¥0.00
重量:0.00KG
商品描述

PP-ZDJD pp电动蝶阀|塑料蝶阀

pp电动蝶阀 产品概述

pp电动蝶阀(亦称电动PP蝶阀)采用一体式电动执行器于塑料蝶阀组成。输入220V电源即可直接进行开关量调节,亦可内置伺服模块,输入控制信号(4~20mADC或1~5VDC)及单相电源即可控制运转。pp电动蝶阀(电动PP蝶阀)重量轻、耐腐蚀性强,被应用于多个领域,如一般纯水和生饮水的管路系统、排水和污水管路系统、盐水和海水管路系统、酸碱和化学溶液系统等多个行业,品质得到广大用户的认可。 pp电动蝶阀(电动PP蝶阀)其主要特点如下:
其主要特点如下:
1、外型结构紧凑美观。
2、本体重量轻容易安装。
3、耐腐蚀性强,应用范围广。
4、材质卫生无毒。
5、耐磨损、容易拆卸,维护简单易行。

pp电动蝶阀 主要技术参数

阀体

阀体形式直通式阀体
公称通径DN50~300mm
公称压力PN1.0、1.6MPa
连接形式法兰式/ 对夹式
密封材质FPM、EPDM、NBR
适用温度0~+60℃
阀体材质UPVC、CPVC、PP
阀芯材质UPVC、CPVC、PP、PTFE
适用介质PVC兼容的食品工业化学溶剂

阀内件

阀板形式蝶形(垂直板式)
流量特性线性

执行机构

执行器型号DSR、381R、HQ
主要技术参数电源电压:220V/50Hz、380V/50Hz、输入信号:4-20mA或1-5V·DC、输出信号:4-20mA·DC
防护等级:相当IP67、隔爆标志:ExdⅡBT4、手操功能:手柄、手轮
环境温度:-25~+70℃、环境湿度:≤95%
注:如需详细执行器参数,请进入电动执行器页面进行查阅。

pp电动蝶阀 主要性能规范

公称通径DN50~300(mm)
公称压力PN(MPa)0.61.01.6
试验压力强度试验0.91.52.4
密封试验0.661.11.76
气密封试验0.60.60.6

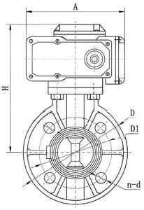
pp电动蝶阀 主要外形及连接尺寸

pp电动蝶阀_尺寸图

通径(mm)英寸″尺寸(mm)
长度DD1-ANSID1-JISD1-DINHN-d-ANSIN-d-JSIN-d-DIN
5024356.5120.391201251034-194-194-18
652 1/247.570139.441401451134-194-194-18
80347.579152.41501601154-194-194-18
100457.2103190.51751801358-198-198-18
1255661302162102101658-228-238-18
150674151241.552402401778-228-238-23
200887.5200298.52902952108-228-238-23
2501011025536235535024012-2512-2512-23
3001212931143240040029712-2512-2512-23

注:以上表中尺寸为不带标准附件数据,另由于产品改进技术创新参数可能有一定变化,请咨询公司技术部门索取最新数据。