电动通风蝶阀-TF-ZDJD
❤ 收藏

电动通风蝶阀-TF-ZDJD

0.00
¥0.00
¥0.00
¥0.00
重量:0.00KG
商品描述

TF-ZDJD 电动通风蝶阀

电动通风蝶阀 产品概述

TF-ZDJD电动通风蝶阀由角行程电动执行器和通风蝶阀组成,它与电动单元组合仪表配合使用。电动通风蝶阀亦可配置调节型电动执行器,执行机构内有伺服系弘,无须另配伺服放大器。执行机构可根据用户要求配置UNIC、PSQ、HQ、CH等型号电子式电执行机构。电动通风蝶阀具有结构简单、口径大、重量轻、操作方便等优点。广泛应用于冶金、电站石油、化工等部门。适用介质,煤气、含尘气体、烟道气等。

电动通风蝶阀 主要技术参数

阀体

阀体形式钢板焊接阀
公称通径DN50~1000mm
公称压力PN0.25、0.6、1.0 MPa
法兰标准JB、ANSI、GB、HG、JIS等
连接形式法兰式、对夹式
压盖型式压板压紧式
密封填料V型聚四氟乙烯填料、柔性石墨填料

阀内件

阀板形式蝶形
流量特性开关型(线性)、调节型(近似等百分比)

执行机构

执行器型号381R、DSR、HQ
主要技术参数电源电压:220V/50Hz、380V/50Hz、输入信号:4-20mA或1-5V·DC、输出信号:4-20mA·DC
防护等级:相当IP67、隔爆标志:ExdⅡBT4、手操功能:手柄、手轮
环境温度:-25~+70℃、环境湿度:≤95%
注:如需详细执行器参数,请进入电动执行器页面进行查阅。

电动通风蝶阀 主要零件材料

阀体、底座HT200 ; 35 ; ZG230-450;1Cr18Ni9;ZG1Cr18Ni9Ti
蝶板HT200 ; 35 ; ZG230-450;1Cr18Ni9;ZG1Cr18Ni9Ti
阀杆2Cr13、不锈钢
填料V型聚四氟乙烯填料、柔性石墨填料

电动通风蝶阀 主要性能指标

项目指标值
基本误差%±2.5
回差%2.0
死区%3.0
始终点偏差%±2.5
额定行程偏差%+2.5
允许泄漏量1/h2×10-2×阀额定容量

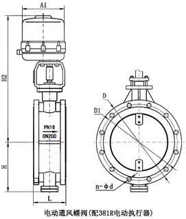
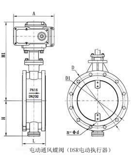
电动通风蝶阀 主要外形及连接尺寸

电动通风蝶阀_(配DSR电动执行器)电动通风蝶阀_(配381R电动执行器)
公称通径DN5065801001251502002503003504004505006007008009001000
L9090100115130140150250270290310330350390430470500550
H637083105115137164206230248289320343413478525585640
H1根据阀门所需力矩而定,配置电动执行器不同,外形尺寸也不相同,详情请咨询公司技术部!
H2
A
A1
D140160190210240265320375440490540595645755860975107551175
D111013015017020022528033539544549555060070581092010201120
n-φd4-144-144-184-188-188-1812-1812-2212-2216-2216-2220-2220-2624-2624-3024-3024-3028-30

注:以上参数均为PN0.6MPa为准,其他压力等级请咨询公司技术部,表中尺寸为不带标准附件数据,另由于产品改进技术创新参数可能有一定变化,请咨询公司技术部门索取最新数据。