
电动伸缩式蝶阀是由角行程电动执行器于伸缩蝶阀组成,电动执行器采用一体化设计,输入220V电源即可直接进行开关量调节,亦可内置伺服模块,输入控制信号(4~20mADC或1~5VDC)及单相电源即可控制运转。电动伸缩式蝶阀适用于温度≤80℃,公称压力≤1.6MPa的食品、医药、化工、石油、电力、轻纺、造纸等给排水、气体管道上作调节流量和截流介质的作用,具有补偿管道热胀冷缩的功能。电动伸缩式蝶阀其主要特点如下:
1、设计新颖、合理、结构独特、重量轻、操作方便、启闭迅速;
2、伸缩蝶阀除了能作调节和截流作用、补偿管道温差所产生的热胀冷缩功能外,还能为安装更换、维修阀门提供方便。
3、密封部位可调节更换、密封性能可靠等特点。
| 阀体形式 | 直通铸造阀体 |
| 公称通径 | DN50~2000mm |
| 公称压力 | PN0.6、1.0、1.6 |
| 法兰标准 | JB、ANSI、GB、HG、JIS等 |
| 连接形式 | 法兰式 |
| 压盖型式 | 螺栓压紧式 |
| 密封填料 | V型聚四氟乙烯填料、柔性石墨填料 |
| 阀板形式 | 蝶形 |
| 流量特性 | 开关型(线性)、调节型(近似等百分比) |
| 执行器型号 | DZW、DSR、381R、HQ、Q型 |
| 主要技术参数 | 电源电压:220V/50Hz、380V/50Hz、输入信号:4-20mA或1-5V·DC、输出信号:4-20mA·DC |
| 防护等级:相当IP67、隔爆标志:ExdⅡBT4、手操功能:手柄、手轮 | |
| 环境温度:-25~+70℃、环境湿度:≤95% |

| 序号 | 零件名称 | 材料名称 |
| 1 | 底座 | HT200、WCB、CF3、CF3M、CF8、CF8M |
| 2 | 下阀轴 | 铜合金、304、316 |
| 3 | 阀体 | HT200、WCB、CF3、CF3M、CF8、CF8M |
| 4 | 阀板 | HT200、WCB、CF3、CF3M、CF8、CF8M |
| 5 | 销轴 | 25、35、45 |
| 6 | 阀杆 | 2Cr13、304、316、316L |
| 7 | 压板 | HT200、WCB、CF3、CF3M、CF8、CF8M |
| 8 | 密封圈 | NBR丁晴橡胶、PTFE、PPL、304、316 |
| 9 | 伸缩节 | HT200、WCB、CF3、CF3M、CF8、CF8M |
| 10 | 填料 | 聚四氟乙烯/柔性石墨 |
| 11 | 支架 | HT200、WCB、CF3 |
| 12 | 填料压板 | HT200、WCB、CF3、CF3M、CF8、CF8M |
| 13 | 电动执行器 | 配置执行器不同,材质也不相同 |
| 公称通径DN | 50~1000(mm) | |||
| 公称压力 | PN(MPa) | 0.6 | 1.0 | 1.6 |
| 试验压力 | 强度试验 | 0.9 | 1.5 | 2.4 |
| 密封试验 | 0.66 | 1.1 | 1.76 | |
| 气密封试验 | 0.6 | 0.6 | 0.6 | |
| 渗漏率 | 金属硬密封:<0.1×DNmm3/s (符合GB/T13927-92标准)、软密封:零泄露 | |||
| 适用温度 | 碳钢:-29℃~425℃、不锈钢:-40℃~600℃ | |||
| 适用介质 | 空气、水、蒸气、煤气、油品以及酸、碱、盐带有弱腐蚀性介质等 | |||
| 驱动形式 | 蜗杆蜗轮传动、气动、电动 | |||
![]() | ![]() |
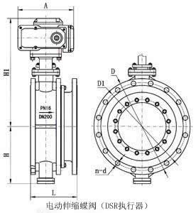
| 公称 通径 | 外形尺寸(参考值) | 法兰尺寸和螺栓孔尺寸(标准值) | ||||||||||||||
| 高度 | 结构长度L | 执行器宽度 | 0.6MPa | 1.0MPa | 1.6MPa | |||||||||||
| 毫米 | H | H1 | 最大 | 最小 | 标准 | A | B | D | D1 | n-d | D | D1 | n-d | D | D1 | n-d |
| 50 | 80 | 440 | 186 | 156 | 171 | 250 | 255 | 140 | 110 | 4-14 | 165 | 125 | 4-18 | 165 | 125 | 4-18 |
| 65 | 95 | 445 | 190 | 160 | 175 | 250 | 255 | 160 | 130 | 4-14 | 185 | 145 | 4-18 | 185 | 145 | 4-18 |
| 80 | 98 | 476 | 198 | 166 | 182 | 250 | 255 | 190 | 150 | 4-18 | 200 | 160 | 8-18 | 200 | 160 | 8-18 |
| 100 | 114 | 504 | 228 | 188 | 208 | 250 | 255 | 210 | 170 | 4-18 | 220 | 180 | 8-18 | 220 | 180 | 8-18 |
| 125 | 128 | 550 | 240 | 201 | 220 | 250 | 255 | 240 | 200 | 8-18 | 250 | 210 | 8-18 | 250 | 210 | 8-18 |
| 150 | 139 | 652 | 240 | 206 | 226 | 300 | 315 | 265 | 225 | 8-18 | 285 | 240 | 8-22 | 285 | 240 | 8-22 |
| 200 | 174 | 732 | 265 | 219 | 242 | 300 | 315 | 320 | 280 | 8-18 | 340 | 295 | 8-22 | 340 | 295 | 12-22 |
| 250 | 215 | 823 | 295 | 240 | 267 | 300 | 315 | 375 | 335 | 12-18 | 395 | 350 | 12-22 | 405 | 355 | 12-26 |
| 300 | 245 | 877 | 308 | 254 | 282 | 300 | 315 | 440 | 395 | 12-22 | 445 | 400 | 12-22 | 460 | 410 | 12-26 |
| 350 | 270 | 932 | 327 | 272 | 300 | 300 | 315 | 490 | 445 | 12-22 | 505 | 460 | 16-22 | 520 | 470 | 16-26 |
| 400 | 305 | 1047 | 368 | 308 | 338 | 300 | 315 | 540 | 495 | 16-22 | 565 | 515 | 16-26 | 580 | 525 | 16-30 |
| 450 | 325 | 1092 | 370 | 310 | 340 | 575 | 714 | 595 | 550 | 16-22 | 615 | 565 | 20-26 | 640 | 585 | 20-30 |
| 500 | 360 | 1182 | 392 | 332 | 362 | 575 | 714 | 645 | 600 | 20-22 | 670 | 620 | 20-26 | 715 | 650 | 20-33 |
| 600 | 445 | 1380 | 441 | 375 | 408 | 656 | 810 | 755 | 705 | 20-26 | 780 | 725 | 20-30 | 840 | 770 | 20-36 |
| 700 | 505 | 1502 | 460 | 400 | 445 | 656 | 810 | 860 | 810 | 24-26 | 895 | 840 | 24-30 | 910 | 840 | 24-36 |
| 800 | 560 | 1545 | 499 | 445 | 475 | 656 | 810 | 975 | 920 | 24-30 | 1015 | 950 | 24-33 | 1025 | 950 | 24-39 |
| 900 | 630 | 1710 | 520 | 460 | 490 | 785 | 863 | 1075 | 1020 | 24-30 | 1115 | 1050 | 28-33 | 1125 | 1050 | 28-39 |
| 1000 | 680 | 1805 | 600 | 530 | 565 | 785 | 863 | 1175 | 1120 | 28-30 | 1230 | 1160 | 28-36 | 1255 | 1170 | 28-42 |
| 1200 | 795 | 2096 | 675 | 571 | 623 | 785 | 863 | 1405 | 1340 | 32-33 | 1455 | 1380 | 32-39 | 1485 | 1390 | 32-48 |
| 1400 | 900 | 2296 | 760 | 684 | 722 | 790 | 1338 | 1630 | 1560 | 36-36 | 1675 | 1530 | 36-42 | 1685 | 1590 | 36-48 |
| 1600 | 1100 | 2720 | 860 | 770 | 815 | 868 | 1476 | 1830 | 1760 | 40-36 | 1915 | 1820 | 40-48 | 1930 | 1820 | 40-56 |
| 1800 | 1124 | 2830 | 930 | 830 | 880 | 868 | 1476 | 2045 | 1970 | 44-39 | 2115 | 2020 | 44-48 | 2130 | 2020 | 44-56 |
| 2000 | 1292 | 3120 | 1020 | 920 | 970 | 965 | 1600 | 2265 | 2180 | 48-48 | 2325 | 2230 | 48-48 | 2345 | 2230 | 48-62 |
注:以上表中尺寸为不带标准附件数据,另由于产品改进技术创新参数可能有一定变化,请咨询公司技术部门索取最新数据。
| 购买人 | 会员级别 | 数量 | 属性 | 购买时间 |
|---|