SPX-ZDJD 电动三偏心蝶阀
电动三偏心蝶阀 产品概述
电动三偏心蝶阀由回转式电动执行机构及三偏心蝶阀阀体组成,阀体采用三偏心金属硬密封结构,阀座及及密封面采用全不锈钢制作,具有良好的耐腐蚀性,均有双向密封功能,电动三偏心蝶阀蝶板与阀座之间摩擦少、寿命长、适用范围广、修护方便等特点。电动三偏心蝶阀广泛应用于石油、化工、电力、冶金、钢铁、造纸、医药、食品、纺织、轻工等行业。
电动三偏心蝶阀 主要特点
1、本阀采用三偏心密封结构,阀座与蝶板磨损小。
2、密封圈选用不锈钢制作,具有金属硬密封和弹性密封的双重优点,无论在低温和高温的情况下,均具有优良的密封性能,具有耐腐蚀,使用寿命长等特点。
3、蝶板密封面采用堆焊钴基硬质合金,密封面耐磨损,使用寿命长。
4、大口径蝶板采用绗架结构,强度高,过流面积大,流阻小。
5、电动三偏心蝶阀具有双向密封功能,安装时不受介质流向的限制,也不受空间位置的影响,可在任何方向安装。
6、驱动装置可以多工位(旋转90°或180°)安装,便于用户使用。
电动三偏心蝶阀 主要技术参数
阀体
| 阀体形式 | 直通铸造阀 |
| 公称通径 | DN50~1000mm |
| 公称压力 | PN1.0、1.6、2.5MPa |
| 法兰标准 | JIS B220、JB/T79、ANSI B16.5-1981、GB/T9113、HG20594-97、HG20618-97等 |
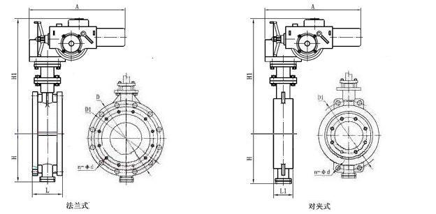
| 连接形式 | 法兰式、对夹式 |
| 阀盖形式 | 一体式 |
| 压盖型式 | 压板压紧式 |
| 密封填料 | V型聚四氟乙烯填料、柔性石墨填料 |
阀内件
执行机构
| 执行器型号 | DZW多回转电装、DSR精小型电装、HQ型智能型电装 |
| 主要技术参数 | 电源电压:220V/50Hz、380V/50Hz、输入信号:4-20mA或1-5V·DC、输出信号:4-20mA·DC |
| 防护等级:相当IP67、隔爆标志:ExdⅡBT4、手操功能:手柄 |
| 环境温度:-25~+70℃、环境湿度:≤95% |
注:如需详细执行器参数,请进入电动执行器页面进行查阅。
电动三偏心蝶阀 主要零件材料
| 1 | 底座 | HT200、WCB、CF3、CF3M、CF8、CF8M |  |  |
| 2 | 下轴套 | 铜合金、304、316 |
| 3 | 阀体 | HT200、WCB、CF3、CF3M、CF8、CF8M |
| 4 | 密封圈 | NBR丁晴橡胶、PTFE、PPL、304、316 |
| 5 | 压板、蝶板 | HT200、WCB、CF3、CF3M、CF8、CF8M |
| 6 | 固定销 | 25、35、45 |
| 7、8 | 上、下阀轴 | 2Cr13、304、316、316L |
| 9 | 上轴套 | 铜合金、304、316 |
| 10 | 填料 | 聚四氟乙烯/柔性石墨 |
| 11、12 | 填料压盖组件 | HT200、WCB、CF3、CF3M、CF8、CF8M |
电动三偏心蝶阀 主要性能指标
| 公称通径DN(mm) | 50 | 65 | 80 | 100 | 125 | 150 | 200 | 250 | 300 | 350 | 400 | 450 | 500 | 600 | 700 | 800 | 900 | 1000 |
| 额定流量系数Cv | 110 | 180 | 232 | 368 | 656 | 1000 | 1760 | 3390 | 4730 | 6700 | 8900 | 10500 | 14800 | 20500 | 31000 | 43000 | 55600 | 70700 |
| 允许压差(MPa) | ≤ 公称压力 |
| 动作范围 | 0~90° |
| 泄露量 | 按GB/T4213-92,为Kv值的10-4 |
| 基本误差 | ±2.5% |
| 回差 | ±2.5% |
| 死区 | 1% |
| 可调范围 | 50:1 |
电动三偏心蝶阀 三偏心密封原理
由于在双偏心密封蝶阀的基础上,将阀座中心线再与阀体中心线形成一个β角位置,其偏置后的结果由图2的A-A剖视图可见,当三偏心硬密封蝶阀处于完全开启状态时,其蝶板密封面会完全脱离阀座密封面,并且在蝶板密封面与阀体密封面之间形成一个与双偏心密封蝶阀相同的间隙Y,而由图3可见,由于β角位置的形成会使长、短半径转动的蝶板大、小半圆上,蝶板密封面转动轨迹的切线与阀座密封面形成一个θ1和θ2角。使蝶板启闭时蝶板密封面相对于阀座密封面渐出脱离和渐入压紧,从而彻底消除了蝶板启闭时蝶阀密封副两密封之间的机械磨损和擦伤。该蝶阀从0°~90°开启时,蝶板的密封面会在开启瞬间立即脱离阀座密封面,在其90°~0°关闭时,只有在关闭的瞬间,其蝶板密封面才会接触并压紧阀座密封面。