气动伸缩蝶阀-SS-ZGJD
❤ 收藏

气动伸缩蝶阀-SS-ZGJD

0.00
¥0.00
¥0.00
¥0.00
重量:0.00KG
商品描述

SS-ZGJD 气动伸缩蝶阀

一、气动伸缩蝶阀 应用范围

法兰式气动伸缩蝶阀在一定范围内可轴向伸缩,也能在一定的角度范围内克服管道对接不同轴而产生的偏移,能极大的方便阀门管道的安装与拆卸。法兰式气动伸缩蝶阀适用在食品、饮料、医药纯净管路及工业环保、水处理、高层建筑、给排水管路作启闭或调节介质流量之用。

气动伸缩蝶阀采用标准:

法兰连接尺寸 GB4216.4-84;GB9115.8-8

结构长度GB12221-89

压力试验GB/T13927-92;ZBJ16006-90

二、气动伸缩蝶阀 主要参数

公称通径DN(mm)50~1000
公称压力PN(MPa)1.00.60.25
试验压力 Ps
(MPa)
强度试验1.50.90.375
密封试验1.10.660.275
适用介质淡水、污水、蒸汽、油类、海水等
适用温度-40℃~200℃

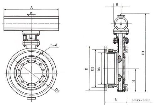
三、气动伸缩蝶阀 主要外形尺寸

气动伸缩蝶阀_外形尺寸

通径(DN)LLMAXLMIND1DZ-ΦdHH0ABWt/kg
501501631381251654-1882.54001806517
651701881581451854-1892.54001806519
801801921621602008-181004102457220
1001902251801802208-181104302457225
1252002351902102508-181254652457232
1502102401952402858-22142.56153559335
2002302652152953408-221706853559360
25025028523535039512-22197.574055035083
30027030225240044512-22222.5800600350110
35029032127146050516-22252.5860600350130
40031034328351556516-26282.5945600350166
45033036030056561520-26307.51000750380210
50035038032062067020-263351060750380252
60039042536572578020-303901170750380330
70043046539584089524-30447.51325750380630
800470510430950101524-33507.514457503801070
9005105604601050111528-33557.515554502801700
10005506005001160123028-3661516756502801950