ZDJD971H 电动对夹蝶阀|硬密封
电动对夹蝶阀 产品概述
电动对夹蝶阀密封形式分为(三偏心金属密封、中线软密封、双偏心软密封)几种形式,采用回转型电动执行器和对夹式蝶阀阀体组成,电动对夹蝶阀可用于现场要求空间比较窄、管道距离较短的场合。蝶阀体内无连杆、螺栓等、工作可靠、使用寿命长,可以多工位安装,不受介质流向影响。电动对夹蝶阀广泛应用于化工、建材、电站、玻璃等行业中的通风、环保工程的含尘冷风或热风气体管道中,作为气体介质调节流量或切断装置。
电动对夹蝶阀 主要特点
1、设计新颖、合理、结构独特,重量轻,启闭迅速。
2、密封件可以更换,密封性能可靠达到双向密封零泄漏。
3、密封材料耐老化、耐腐蚀,使用寿命长等特点。
4、两截式阀杆无销连接,结构简单紧凑,维修方便。
5、阀座密封与靠背一体结构,减少阀座变形量。
6、阀杆轴向定位装置,增强密封性、减少阀门扭矩。
7、可以任何位置安装,维修方便。
电动对夹蝶阀 主要技术参数
阀体
| 阀体形式 | 直通铸造阀 |
| 公称通径 | DN50~1000mm |
| 公称压力 | PN1.0、1.6、2.5MPa |
| 法兰标准 | JIS B220、JB/T79、ANSI B16.5-1981、GB/T9113、HG20594-97、HG20618-97等 |
| 连接形式 | 法兰式、对夹式 |
| 阀盖形式 | 整体式 |
| 压盖型式 | 压板压紧式 |
| 密封填料 | V型聚四氟乙烯填料、柔性石墨填料 |
阀内件
执行机构
| 执行器型号 | DZW、HQ、DSR、381R |
| 主要技术参数 | 电源电压:220V/50Hz、380V/50Hz、输入信号:4-20mA或1-5V·DC、输出信号:4-20mA·DC |
| 防护等级:相当IP67、隔爆标志:ExdⅡBT4、手操功能:手柄 |
| 环境温度:-25~+70℃、环境湿度:≤95% |
注:如需详细执行器参数,请进入电动执行器页面进行查阅。
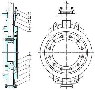
电动对夹蝶阀 主要零件材料

| 1 | 底座 | HT200、WCB、CF3、CF3M、CF8、CF8M |
| 2 | 下轴套 | 铜合金、304、316 |
| 3 | 阀体 | HT200、WCB、CF3、CF3M、CF8、CF8M |
| 4 | 密封圈 | NBR丁晴橡胶、PTFE、PPL、304、316 |
| 5 | 压板、蝶板 | HT200、WCB、CF3、CF3M、CF8、CF8M |
| 6 | 固定销 | 25、35、45 |
| 7 | 上阀轴 | 2Cr13、304、316、316L |
| 8 | 下阀轴 | 2Cr13、304、316、316L |
| 9 | 上轴套 | 铜合金、304、316 |
| 10 | 填料 | 聚四氟乙烯/柔性石墨 |
| 11 | 填料压套 | HT200、WCB、CF3、CF3M、CF8、CF8M |
| 12 | 填料压板 | HT200、WCB、CF3、CF3M、CF8、CF8M |
电动对夹蝶阀 主要性能指标
| 公称通径DN(mm) | 50 | 65 | 80 | 100 | 125 | 150 | 200 | 250 | 300 | 350 | 400 | 450 | 500 | 600 | 700 | 800 | 900 | 1000 |
| 额定流量系数Cv | 110 | 180 | 232 | 368 | 656 | 1000 | 1760 | 3390 | 4730 | 6700 | 8900 | 10500 | 14800 | 20500 | 31000 | 43000 | 55600 | 70700 |
| 允许压差(MPa) | ≤ 公称压力 |
| 动作范围 | 0~90° |
| 泄露量 | 按GB/T4213-92,为Kv值的10-4 |
| 基本误差 | ±2.5% |
| 回差 | ±2.5% |
| 死区 | 1% (可调) |
| 可调范围 | 50:1 |