电动四通球阀-ZDJQ946
❤ 收藏

电动四通球阀-ZDJQ946

0.00
¥0.00
¥0.00
¥0.00
重量:0.00KG
商品描述

ZDJQ946 电动四通球阀

电动四通球阀 产品概述

ZDJQ946电动四通球阀是采用角行程电动执行器及四通球阀组成,在石油、天然气、煤炭和矿石的开采、提炼加工和管道输送系统中;在化工产品、医药和食品生产中;在水电、火电和核电的电力生产系统中;在城市和工业企业的给排水、供热、和供气系统中;在农田的排灌系统中;在治金生产系统中;电动四通球阀得以广泛的应用,是一种与生产建设、国防建设和人民生活息息相关的重要机械产品。电动四通球阀密闭在各类管路系统种用于截断或接通介质流,使介质按照预定的程序输送到各个指定点。

电动四通球阀 产品特点

1、流体阻力小:球体和阀体的连接管道截面相等,且球体通道采用圆弧连接,介质通过球体时,流体阻力小。
2、密封性能: 阀座采用具有一定弹性变形和高强度的PTFE材料,达到良好密封性能保证了阀门的稳定性。
3、使用寿命长:阀门的阀芯和光颈材料采用奥氏不锈钢,阀座材料选用PTFE,能达到良好的抗腐蚀性作用,延长了阀门使用寿命。

电动四通球阀 主要技术参数

阀体及内件

阀体形式四通铸造阀体
公称通径DN50~600mm
公称压力PN1.6、2.5、4.0 MPa;ANSI 150、300LB ;JIS 10、20、30K
法兰标准JB/T79.2-1994、 ASME/ANSI B165
连接形式法兰式
压盖型式压盖压紧式
密封填料V型聚四氟乙烯填料、柔性石墨填料等
设计和制造GB/T12237-1989; APl608
检验和试验GB/T13927-1992; APl 598

执行机构

执行器型号DSR、3810R、DZW、HQ、PSQ
主要技术参数电源电压:220V/50Hz、380V/50Hz、输入信号:4-20mA或1-5V-DC、输出信号:4-20mA·DC
防护等级:相当IP65(或IP67)、隔爆标志:ExdⅡBT4、手操功能:手柄
环境温度:-25~+70℃、环境湿度:≤95%
注:如需详细执行器参数,请进入电动执行器页面进行查阅。

电动四通球阀 流向原理图

如图:“LL'’型四通球阀只需操作板手或执行器将球体转动90°,同时对两种介质的流向进行切换,即方便而迅速,实现一阀多用的效果。

电动四通球阀_LL型介质切换图
电动四通球阀_LL型介质切换图
“LL”型介质切换图

电动四通球阀 主要零件材料

阀体/阀盖GBWCBZGlCrl8Ni9TiZGOCfl8Nil2M02Ti
ASTMWCBCF8CF8M
球体GB2Crl31Cfl8Ni9Ti0Cfl8Ni12M02Ti
ASTM420304316
阀杆GB2Crl31Crl8Ni9Ti0Crl8Ni12M02Ti
ASTM420304316
阀座GB聚四氟乙烯对位聚苯聚四氟乙烯对位聚苯聚四氟乙烯对位聚苯
ASTM聚四氟乙烯对位聚苯聚四氟乙烯对位聚苯聚四氟乙烯对位聚苯
填料GB聚四氟乙烯柔性石墨聚四氟乙烯柔性石墨聚四氟乙烯柔性石墨
ASTM聚四氟乙烯柔性石墨聚四氟乙烯柔性石墨聚四氟乙烯柔性石墨
螺栓GB350Crl8Ni90Crl8Ni9
ASTMA193B7A320-B8A320-B8
螺母GB450Cfl8Ni90Crl8Ni9
ASTMA1942HA194-8A194-8

电动四通球阀 主要性能规范

公称压力(MPa)常温最大工作压力(MPa)壳体试验压力(MPa)气密封试验压力(MPa)高压密封试验压力(MPa)
PN1.61.62.40.61.76
PN2.52.53.80.62.75
PN4.04.06.00.64.4
l50LB2.03.00.62.2

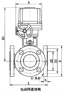
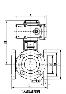
电动四通球阀 主要外形及连接尺寸

电动四通球阀_配DSR执行器电动四通球阀_配PSQ执行器电动四通球阀_俯视图
公称压力PN公称通径DN尺 寸(mm)
LL0DD1D2bz-φdH1A
1.6MPa50260130165125100164-ф18205根据配置
执行机构
大小而定
65320160185145120184-ф18245
80320160200160135208-ф18305
100370185220180155208-ф18340
125510255250210185228-ф18425
1505102552852402'0248-ф23450
2005802903402952652612-ф23480
2506703354053553203012-ф25530
3007603804604103753012-ф25585
3508504255204704353416-ф25625
4009804905805254853616-ф30670
45010805406405855454020-ф30705
50012206107156506084420-ф34765
60013606808407707184820-ф41840

注:以上参数为不带标准附件数据,另由于产品改进技术创新参数可能有一定变化,请咨询公司技术部门索取最新数据。