ZGJD641H 气动硬密封蝶阀
气动硬密封蝶阀 产品概述
气动硬密封蝶阀采用多层次金属硬密封结构,由活塞式气动执行器及三偏心蝶阀阀体组成,可配阀门定位器输入控制信号(4-20mADC或1-5VDC)气源即可控制运转。气动硬密封蝶阀亦可配行程限位开关、电磁阀、三联件及0.4-0.7MPa气源可实现开关操作,并送出二对无源触点信号指示阀门的开关。气动硬密封蝶阀结构简单、体积小、重量轻,只由少数几个零件组成。而且只需旋转90°即可快速启闭,操作简单,同时该气动硬密封蝶阀具有良好的流体控制特性。蝶阀处于完全开启位置时,蝶板厚度是介质流经阀体时唯一的阻力,因此通过气动硬密封蝶阀所产生的压力降很小,故具有较好的流量控制特性。气动硬密封蝶阀广泛应用与化工、石油、冶金、电站和轻纺等工业生产过程的自动调节和远程控制。
气动硬密封蝶阀 主要特点
1、该蝶阀结构简单、紧凑、重量轻、易于安装和拆卸、维修方便。
2、本蝶阀采用不锈钢“U”型密封圈,具有一定的弹性无论在高温、低温的情况下,它与蝶板均具有优良的密封性。
3、本蝶阀的三维偏心距,经过严格的计算,“U”型密封圈与蝶板几乎无磨擦,使用寿命长,并具有越关越紧的功能。
4、蝶板密封面采用堆焊钴基硬质合金,密封面耐磨损,使用寿命长。
5、本蝶阀结构独特,“开关”仅需转动阀杆90°即可完成。操作灵活、方便、省力、不受介质压力的高低影响,密封性能可靠。
6、可耐高温、耐低温、耐腐蚀性。
气动硬密封蝶阀 主要技术参数
阀体
| 阀体形式 | 直通铸造蝶阀 |
| 公称通径 | DN50~1000mm |
| 公称压力 | PN1.0、1.6、2.5MPa |
| 法兰标准 | JIS B220、JB/T79、ANSI B16.5-1981、GB/T9113、HG20594-97、HG20618-97等 |
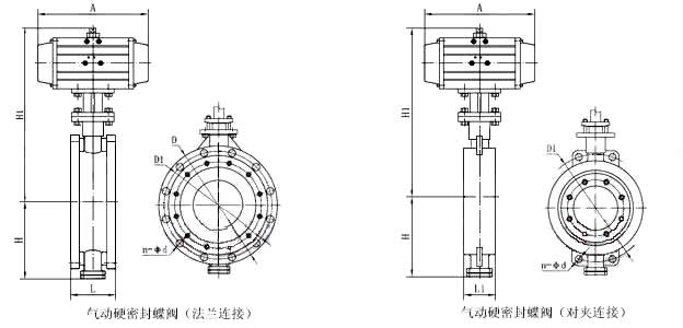
| 连接形式 | 法兰式、对夹式 |
| 阀盖形式 | 一体式 |
| 压盖型式 | 压盖压紧式 |
| 密封填料 | V型聚四氟乙烯填料、柔性石墨填料 |
阀内件
| 阀板形式 | 垂直板式(蝶形) |
| 流量特性 | 调节型(近似等百分比)、开关型(线性) |
执行机构
| 执行器型号 | GT系列、ST系列、AT系列、AW系列单双作用气动执行器 |
| 供气压力 | 400~700KPa |
| 气源接口 | G1/4"、G1/8"、G3/8"、G1/2" |
| 环境温度 | -30~+70℃ |
| 作用形式 | 单作用执行机构:气关式(B)--失气时阀位开(FO);气开式(K)--失气时阀位关(FC) 双作用执行机构:气关式(B)--失气时阀位保持(FL);气开式(K)-- 失气时阀位保持(FL) |
| 可配附件 | 定位器、电磁阀、空气过滤减压器、保位阀、行程开关、阀位传送器、手轮机构等 |
注:如需详细执行器参数,请进入气动执行器页面进行查阅。
气动硬密封蝶阀 主要零件材料
| 1 | 底座 | HT200、WCB、CF3、CF3M、CF8、CF8M |  |  |
| 2 | 下轴套 | 铜合金、304、316 |
| 3 | 阀体 | HT200、WCB、CF3、CF3M、CF8、CF8M |
| 4 | 密封圈 | NBR丁晴橡胶、PTFE、PPL、304、316 |
| 5 | 压板、蝶板 | HT200、WCB、CF3、CF3M、CF8、CF8M |
| 6 | 固定销 | 25、35、45 |
| 7、8 | 上、下阀轴 | 2Cr13、304、316、316L |
| 9 | 上轴套 | 铜合金、304、316 |
| 10 | 填料 | 聚四氟乙烯 / 柔性石墨 |
| 11、12 | 填料压盖组件 | HT200、WCB、CF3、CF3M、CF8、CF8M |
气动硬密封蝶阀 主要性能指标
| 回差 | 带定位器:小于全行程的2% |
| 基本误差 | 带定位器:小于全行程的±2% |
| 泄露量l / h | 符合ANSI B16.104 IV级标准 |
| 可调范围R | 50:1 |
气动硬密封蝶阀 主要性能规范
| 公称通径DN(mm) | 50-1800 |
| 公称压力 | PN(MPa) | 0.6 | 1.0 | 1.6 | 2.5 |
| 试验压力 | 强度试验 | 0.9 | 1.5 | 2.4 | 3.75 |
| 密封试验 | 0.66 | 1.1 | 1.76 | 2.75 |
| 低压气密试验 | 0.6 | 0.6 | 0.6 | 0.6 |
| 适用介质 | 空气、水、污水、蒸气、煤气、油品等 |