ZGJD 气动开关蝶阀
气动开关蝶阀 产品概述
气动开关蝶阀亦属中线软密封蝶阀,是管线优先选用的常规蝶阀,具有结构简洁,流阻系数小,流量特性趋于直线,不会滞留杂物。且重量轻,安装方便,驱动扭矩较小的优点。气动开关蝶阀既可作切断介质用,又可作调节介质的流量用。阀体密封圈分丁晴橡胶、四氟橡胶,泄露量可达零。选用不同材料的零件,配用不同材料的密封圈,可适应不同的介质、工况,使成本与性能达到最佳效果。气动开关蝶阀适用于温度≤120℃或≤150℃,公称压力≤1.6MPa给排水、污水、食品、供暖、燃气、船舶、水电、冶金、能源系统以及轻纺等行业,特别适用于泄露量要求较高、有腐蚀性的场合,作调节流量和截流介质。
气动开关蝶阀 主要特点
1、小巧轻便,容易拆装及维修,并可在任意位置安装。
2、结构简单、紧凑,操作扭矩小,90°回转开启迅速。
3、流量特性为直线,调节性能好。
4、蝶板与阀杆的连接采用无销钉结构,克服了有可能的内泄漏点。
5、蝶板外圆采用球面造型,提高了密封性能及延长了阀门的使用寿命,带压启闭5万次以上仍保持零泄漏。
6、密封件可更换,且密封可靠达到双向密封。
7、蝶板可根据用户要求喷涂覆层,如尼龙或聚四氟类。
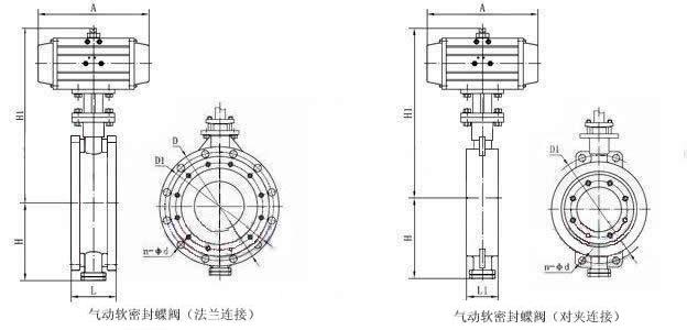
8、气动开关蝶阀可设计成法兰连接和对夹连接。
气动开关蝶阀 主要技术参数
阀体
| 阀体形式 | 直通铸造蝶阀 |
| 公称通径 | DN50~1000mm |
| 公称压力 | PN1.0、1.6 MPa |
| 法兰标准 | JIS B220、JB/T79、ANSI B16.5-1981、GB/T9113、HG20594-97、HG20618-97等 |
| 连接形式 | 法兰式、对夹式 |
| 阀盖形式 | 一体式 |
| 压盖型式 | 压盖压紧式 |
| 密封填料 | V型聚四氟乙烯填料、柔性石墨填料 |
阀内件
执行机构
| 执行器型号 | GT系列、ST系列、AT系列、AW系列单双作用气动执行器 |
| 供气压力 | 400~700KPa |
| 气源接口 | G1/4"、G1/8"、G3/8"、G1/2" |
| 环境温度 | -30~+70℃ |
| 作用形式 | 单作用执行机构:气关式(B)--失气时阀位开(FO);气开式(K)--失气时阀位关(FC) 双作用执行机构:气关式(B)--失气时阀位保持(FL);气开式(K)-- 失气时阀位保持(FL) |
| 可配附件 | 定位器、电磁阀、空气过滤减压器、保位阀、行程开关、阀位传送器、手轮机构等 |
注:如需详细执行器参数,请进入气动执行器页面进行查阅。
气动开关蝶阀 主要内部结构图
 |  |
| 气动开关蝶阀_阀体结构图 (法兰式) | 气动开关蝶阀_阀体结构图 (对夹式) |
气动开关蝶阀 主要零件材料
| 1 | 底座 | HT200、WCB、CF3、CF3M、CF8、CF8M | 1 | 阀体 | HT200、WCB、CF3、CF3M、CF8、CF8M |
| 2 | 下轴套 | 铜合金、304、316 | 2 | 密封圈 | NBR丁晴橡胶、PTFE、尼龙 |
| 3 | 下阀轴 | 2Cr13、304、316、316L | 3 | 下轴套 | 铜合金、304、316 |
| 4 | 阀体 | HT200、WCB、CF3、CF3M、CF8、CF8M | 4 | 阀杆 | 2Cr13、304、316、316L |
| 5 | 密封圈 | NBR丁晴橡胶、PTFE、尼龙 | 5 | 蝶板 | HT200、WCB、CF3、CF3M、CF8、CF8M |
| 6 | 压板 | HT200、WCB、CF3、CF3M、CF8、CF8M | 6 | 上轴套 | 铜合金、304、316 |
| 7 | 蝶板 | HT200、WCB、CF3、CF3M、CF8、CF8M | 7 | 填料 | 聚四氟乙烯/柔性石墨 |
| 8 | 上阀轴 | 2Cr13、304、316、316L | 8 | 填料压套 | 25、35、304、316 |
| 9 | 上轴套 | 铜合金、304、316 | 注:在环境较苛刻场合亦可根据客户现场要求特定材质。 |
| 10 | 填料 | 聚四氟乙烯/柔性石墨 |
| 11 | 填料压套 | HT200、WCB、CF3、CF3M、CF8、CF8M |
气动开关蝶阀 主要性能指标
| 回差 | 带定位器:小于全行程的2% |
| 基本误差 | 带定位器:小于全行程的±2% |
| 泄露量l / h | 符合ANSI B16.104 IV级标准 |
| 可调范围R | 50:1 |
气动开关蝶阀 主要性能规范
| 公称通径DN(mm) | 50-1800 |
| 公称压力 | PN(MPa) | 0.6 | 1.0 | 1.6 | 2.5 |
| 试验压力 | 强度试验 | 0.9 | 1.5 | 2.4 | 3.75 |
| 密封试验 | 0.66 | 1.1 | 1.76 | 2.75 |
| 低压气密试验 | 0.6 | 0.6 | 0.6 | 0.6 |
| 适用介质 | 空气、水、污水、蒸气、煤气、油品及有腐蚀性介质等 |