ZGJD671H 气动对夹式蝶阀
气动对夹式蝶阀 产品概述
本公司生产的气动对夹式蝶阀是由气动活塞式执行机构及三偏心金属硬密封蝶阀阀体组成,执行器采用活塞式结构,具有力矩增大,转动灵活,结构简单,体积小重量轻等优点。气动对夹式蝶阀阀体采用(三偏心金属密封、四氟密封、双偏心软密封)几种形式,气动对夹式蝶阀可用于现场要求空间比较窄、管道距离较短的场合。蝶阀体内无连杆、螺栓等、工作可靠、使用寿命长,可以多工位安装,不受介质流向影响。气动对夹式蝶阀广泛应用于化工、建材、电站、玻璃等行业中的通风、环保工程的含尘冷风或热风气体管道中,作为气体介质调节流量或切断装置。
气动对夹式蝶阀 主要特点
1、设计新颖、合理、结构独特,重量轻,启闭迅速。
2、密封件可以更换,密封性能可靠达到双向密封零泄漏。
3、密封材料耐老化、耐腐蚀,使用寿命长等特点。
4、两截式阀杆无销连接,结构简单紧凑,维修方便。
5、阀座密封与靠背一体结构,减少阀座变形量。
6、阀杆轴向定位装置,增强密封性、减少阀门扭矩。
7、可以任何位置安装,维修方便。
气动对夹式蝶阀 主要技术参数
阀体
| 阀体形式 | 直通铸造蝶阀 |
| 公称通径 | DN50~1000mm |
| 公称压力 | PN1.0、1.6、2.5MPa |
| 法兰标准 | JIS B220、JB/T79、ANSI B16.5-1981、GB/T9113、HG20594-97、HG20618-97等 |
| 连接形式 | 对夹式 |
| 阀盖形式 | 一体式 |
| 压盖型式 | 压盖压紧式 |
| 密封填料 | V型聚四氟乙烯填料、柔性石墨填料 |
阀内件
| 阀板形式 | 垂直板式(蝶形) |
| 流量特性 | 调节型(近似等百分比)、开关型(线性) |
执行机构
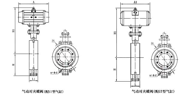
| 执行器型号 | GT系列、ST系列、AT系列、AW系列单双作用气动执行器 |
| 供气压力 | 400~700KPa |
| 气源接口 | G1/4"、G1/8"、G3/8"、G1/2" |
| 环境温度 | -30~+70℃ |
| 作用形式 | 单作用执行机构:气关式(B)--失气时阀位开(FO);气开式(K)--失气时阀位关(FC) 双作用执行机构:气关式(B)--失气时阀位保持(FL);气开式(K)-- 失气时阀位保持(FL) |
| 可配附件 | 定位器、电磁阀、空气过滤减压器、保位阀、行程开关、阀位传送器、手轮机构等 |
注:如需详细执行器参数,请进入气动执行器页面进行查阅。
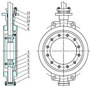
气动对夹式蝶阀 主要零件材料
| 1 | 底座 | HT200、WCB、CF3、CF3M、CF8、CF8M |  |
| 2 | 下轴套 | 铜合金、304、316 |
| 3 | 阀体 | HT200、WCB、CF3、CF3M、CF8、CF8M |
| 4 | 密封圈 | NBR丁晴橡胶、PTFE、PPL、304、316 |
| 5 | 压板、蝶板 | HT200、WCB、CF3、CF3M、CF8、CF8M |
| 6 | 固定销 | 25、35、45 |
| 7、8 | 上、下阀轴 | 2Cr13、304、316、316L |
| 9 | 上轴套 | 铜合金、304、316 |
| 10 | 填料 | 聚四氟乙烯/柔性石墨 |
| 11、12 | 填料压盖组件 | HT200、WCB、CF3、CF3M、CF8、CF8M |
气动对夹式蝶阀 主要性能指标
| 回差 | 带定位器:小于全行程的2% |
| 基本误差 | 带定位器:小于全行程的±2% |
| 泄露量l / h | 符合ANSI B16.104 IV级标准 |
| 可调范围R | 50:1 |
气动对夹式蝶阀 主要性能规范
| 公称通径DN(mm) | 50-1800 |
| 公称压力 | PN(MPa) | 0.6 | 1.0 | 1.6 |
| 试验压力 | 强度试验 | 0.9 | 1.5 | 2.4 |
| 密封试验 | 0.66 | 1.1 | 1.76 |
| 低压气密试验 | 0.6 | 0.6 | 0.6 |
| 适用介质 | 空气、水、污水、蒸气、煤气、油品等 |