
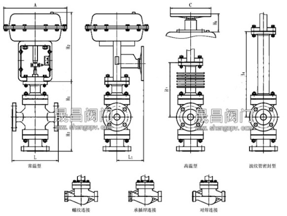
ZJHF(H)气动三通调节阀采用双阀芯上下导向结构,配用气动执行机构,阀体为三通结构,即一进两出(分流型),两进一出(合流型),从而达到流体混合升温或降温,或流体不等量分流,满足不同工矿的使用要求。该阀体具有结构紧凑、重量轻、动作灵敏、压降损失小、阀容量大、流量特性精确和维修方便等优点。可用于各种不同的工作条件,特别适用于石油工业热交换器的温度控制系统和其他的各行业的自动化控制系统。本系列产品有常温型、高温型、低温型、调节切断型、波纹管密封型等多种型式。产品公称压力等级有 PN1.6、4.0、6.4;阀体口径范围 DN20-DN300;适用流体温度 -150℃ -+ 560℃ 范围内多种档次;泄露等级氛分为 Ⅳ 级、Ⅴ 级、 Ⅵ 级;流量特性有直线、等百分比。多种规格可供选择。本系列调节阀采用模块化设计,可采用不同组合、配用各种附件。
| 本体材质为碳钢 | 本体材质为不锈钢 | ||||||||
| 1 | 阀体 | WCB | LCB | WC9 | 1 | 阀体 | CF8 | CF 8M | CF 3M |
| 2 | 阀座 | 304 | 304 | 304 | 2 | 阀座 | 304 | 316 | 316L |
| 3 | 阀芯 | 304 | 304 | 304 | 3 | 阀芯 | 304 | 316 | 316L |
| 4 | 导向套 | 304 | 304 | 304 | 4 | 导向套 | 304 | 316 | 316L |
| 5 | 阀盖 | WCB | LCB | WC9 | 5 | 阀盖 | CF8 | CF 8M | CF 3M |
| 6 | 阀杆 | 304 | 304 | 304 | 6 | 阀杆 | 304 | 316 | 316L |
| 7 | 填料 | PTFE/ 柔性石墨 | 7 | 填料 | PTFE/ 柔性石墨 | ||||
| 8 | 弹簧 | 65Mn | 8 | 弹簧 | 65Mn | ||||
| 9 | 螺母 | 304 | 304 | 304 | 9 | 螺母 | 304 | 316 | 316L |

注:常温型工作温度 -20-+ 200℃ ,泄露等级为 Ⅳ 级。
高温型阀盖增设散热片,可用于介质温度 -60-+ 450℃ 的场合。
波纹管密封型对上下移动的阀杆形成完全的密封,堵绝流体外漏。
低温型采用加长阀盖加隔热板结构可于 -196℃ 深冷场合。
| 公称通径 DN ( mm ) | 20 | 25 | 32 | 40 | 50 | 65 | 80 | 100 | 125 | 150 | 200 | ||||||
| 额定流量 系数 KV | 合流 | 6.3 | 8.5 | 13 | 21 | 34 | 53 | 85 | 135 | 210 | 340 | 535 | |||||
| 分流 | - | - | - | - | - | - | 85 | 135 | 210 | 340 | 535 | ||||||
| 额定行程 L ( mm ) | 16 | 25 | 40 | 60 | |||||||||||||
| 膜片有效面积 Ae ( cm2 ) | 280 | 400 | 600 | 1000 | |||||||||||||
| 公称压力 PN ( MPa ) | 1.6 2.5 4.0 6.4 10.0 | ||||||||||||||||
| 固有流量特性 | 直线 等百分比 | ||||||||||||||||
| 固有可调比 R | 30 : 1 | ||||||||||||||||
| 信号范围 Pr ( Kpa ) | 20-100 、 40-200 、 60-100 、 80-240 | ||||||||||||||||
| 气源压力 Ps ( Mpa ) | 0.14 、 0.25 、 0.28 、 0.40 | ||||||||||||||||
| 允许压差 △P ( MPa ) | 0.93 | 0.86 | 0.75 | 0.48 | 0.31 | 0.27 | 0.18 | 0.11 | 0.12 | 0.09 | 0.05 | ||||||
| 序号 | 项 目 | 性能指标 | ||
| 不带定位器 | 带定位器 | |||
| 1 | 基本误差<( % ) | ±5 | ±1 | |
| 2 | 回差<( % ) | 3 | 1 | |
| 3 | 死区<( % ) | 3 | 0.4 | |
| 4 | 始终点偏差 <( % ) | 始点( % ) | ±5 | ±1 |
| 终点( % ) | ±2.5 | |||
| 5 | 额定行程偏差( % ) | +2.5 | ||
| 6 | 允许泄露量( 1/h ) | 10-3× 阀额定容量 | ||
| 7 | 额定流量系数偏差( % ) | ±10 | ||
| 8 | 固有流量特性 | 符合 IEC534-1 和 GB/T13927-2000 中归动的斜率偏差要求 | ||

| 公称通径( DN ) | 20 | 25 | 32 | 40 | 50 | 65 | 80 | 100 | 125 | 150 | 200 | |
| 结构长度 ( L ) | PN16/25 | 180 | 185 | 200 | 220 | 250 | 275 | 305 | 350 | 410 | 450 | 550 |
| PN40 | 185 | 190 | 210 | 230 | 255 | 285 | 310 | 355 | 425 | 460 | 560 | |
| PN64 | 190 | 200 | 220 | 240 | 265 | 295 | 320 | 370 | 400 | 475 | 570 | |
| H1 | 155 | 155 | 175 | 180 | 200 | 235 | 250 | 260 | 330 | 350 | 420 | |
| H2 | 298 | 298 | 298 | 298 | 298 | 380 | 380 | 380 | 510 | 510 | 510 | |
| H3 | 235 | 235 | 247 | 256 | 268 | 364 | 384 | 394 | 465 | 470 | 540 | |
| H4 | 365 | 365 | 425 | 420 | 445 | 660 | 680 | 690 | 748 | 740 | 780 | |
| H5 | 110 | 117 | 120 | 139 | 144 | 188 | 208 | 220 | 268 | 278 | 320 | |
| H6 | 180 | 180 | 180 | 180 | 180 | 236 | 236 | 236 | 310 | 310 | 310 | |
| A | 282 | 282 | 282 | 282 | 282 | 360 | 360 | 360 | 470 | 470 | 470 | |
| C | 220 | 220 | 220 | 220 | 220 | 270 | 270 | 270 | 320 | 320 | 320 | |
| L1 | 289 | 289 | 289 | 289 | 289 | 347 | 347 | 347 | 476 | 476 | 476 | |
| 压力等级 | GB : 1.6 、 2.5 、 4.0 、 6.4MPa ANSI : 150 、 300 、 600LB JIS : 10 、 20 、 30K | |||||||||||
| 执行机构 | ZHB-22 | ZHB-23 | ZHB-34 | ZHB-45 | ||||||||
| 购买人 | 会员级别 | 数量 | 属性 | 购买时间 |
|---|