
GW-ZJHP气动高温调节阀阀是一种顶导向单阀座调节阀,具 有结构简单、密封性能好、流量大、使用可靠等特点。有效而足够的顶部导向系统克服小开度时的震动,有效使用寿命更长。可选择多弹簧气动簿膜机构或电动执行机构等。
GW-ZJHP气动高温调节阀由气动多弹簧薄膜执行机构和低流阻单座阀组成,新型执行机构高底低、重量轻、装校简便,新型阀体结构紧凑、流道通畅,具有大的流量系数。
气动薄膜调节阀操作稳定,具有动作特性可靠,精确的流量特性,可调范围大等优点。在广泛应用中取得高质量的控制效果。
| 阀体型式: | 直通铸造球型阀 |
| 公称通径: | DN20 、25 、32 、40 、50 、65 、80 、100 、200 |
| 公称压力: | PN 1.6、2.5、4.0、6.4、10.0Mpa |
| ANSI 150、300、 600Lb | |
| JIS 10K、20K、30K、40K | |
| 连接方式: | 法兰:FF、RF、RTJ、等 |
| 螺纹:(适用于 1”以下) | |
| 焊接:SW、BW | |
| 法兰距: | 符合IEC 534 |
| 阀盖形式: | 标准型、加长型(散热、低温、波纹管密封) |
| 填 料: | V型聚四氟乙烯、柔性石墨填料等 |
| 密封垫: | 金属夹石墨密封垫、聚四氟乙烯垫 |
| 执行机构: | 气动:多弹簧执行机构 、单弹簧执行机构 |
| 电动:3810L系列 、PSL系列 |
| 阀芯型式: | 单座柱塞 |
| 流量特性: | 等百分比、线性 、快开 |
| 内件材质: | 标准材质组合及使用温度、压力范围请参阅附录 |
| 阀体 | 型式 | 直通 | 阀盖 | 型式 | 标准、加长型 |
| 材质 | WCB、WC9、304、316等 | 材质 | WCB、WC9、304、316等 | ||
| 阀芯 | 特性 | 直线、等百分比、快开 | 填料 | “V”型PTFE、柔性石墨、波纹管 | |
| 材质 | 304、304+STL/PTFE、316、316+STL/PTFE | ||||
| 执行器 | 气动:见表8 | ||||
| 电动:见表7 | |||||
| 定位器 | 电气阀门定位器、智能型数字定位器 | ||||
| 附件 | 电磁阀、阀位反馈器、手操机构、保位阀、空气过滤减压器等 | ||||
表2.本体材质为碳钢
| ![]() | ||||||||||||||||||||||||||||||||||||||||||||||||||||||||||||||||||||||||||||||||||||||||||||||||||||||||||||||||||||||||
1、以上为标准的配置结构,阀座为金属对金属,PTFE软阀座是VI级密封的可选件。还可提供用斯太莱合金涂层的硬化阀内件。针对具体使用温度,我们有更加合理的螺栓螺母选择。
2、PTFE V形环阀杆填料是的标准配置也可选用柔性石墨,一个配备石墨填料的加长型阀盖可用于温度超过232℃(450华氏温度)的场合。
3、标准的阀体材料是碳钢和不锈钢,还可以提供多种用于高腐蚀性应用场合的合金材料。
等百分比特性阀瓣 |
直线特性阀瓣 |
快开特性阀瓣 |


| 气行机构规格 | 气源压力Kpa | 弹簧范围Kpa | 阀芯尺寸 Inch(mm) | ||||||||||
| 3/4 20 | 1 25 | 1 1/4 32 | 1 1/2 40 | 2 50 | 2 1/2 65 | 3 80 | 4 100 | 5 125 | 6 150 | 8 200 | |||
| ZHB22 | 140 | 20~100 | 1.17 | 0.75 | - | - | - | - | - | - | - | - | - |
| 240 | 40~200 | 2.73 | 1.75 | - | - | - | - | - | - | - | - | - | |
| 300 | 80~240 | 5.85 | 3.75 | - | - | - | - | - | - | - | - | - | |
| ZHB23 | 140 | 20~100 | 1.64 | 1.05 | 0.63 | 0.4 | 0.26 | - | - | - | - | - | - |
| 240 | 40~200 | 3.82 | 2.45 | 1.49 | 0.96 | 0.61 | - | - | - | - | - | - | |
| 300 | 80~240 | 8.19 | 5.24 | 3.19 | 2.05 | 1.31 | - | - | - | - | - | - | |
| ZHB34 | 140 | 20~100 | - | - | 1.02 | 0.66 | 0.42 | 0.24 | 0.16 | 0.10 | - | - | - |
| 240 | 40~200 | - | - | 2.38 | 1.53 | 0.98 | 0.58 | 0.38 | 0.24 | - | - | - | |
| 300 | 80~240 | - | - | 5.12 | 3.28 | 2.10 | 1.24 | 0.82 | 0.52 | - | - | - | |
| ZHB45 | 140 | 20~100 | - | - | - | - | - | 0.40 | 0.26 | 0.17 | 0.11 | 0.07 | 0.02 |
| 240 | 40~200 | - | - | - | - | - | 0.93 | 0.61 | 0.39 | 0.25 | 0.17 | 0.07 | |
| 300 | 80~240 | - | - | - | - | - | 1.98 | 1.32 | 0.84 | 0.54 | 0.37 | 0.16 | |
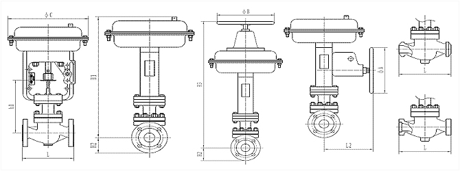
表6-配置ZH系列气动执行机构控制阀外形尺寸 单位: mm

| 阀门尺寸 | L | H1 | H2 | h1 | H3 | C | B | A | L2 | 执行机构 | ||||||
| inch | mm | ANSI150 PN16、25 | ANSI300 PN40 | ANSI600PN64、100 | ||||||||||||
| 3/4 | 20 | 184 | 7.25 | 184 | 7.25 | 206 | 8.12 | 425 | 53 | 213 | 704 | 288 | 200 | 200 | 289 | ZHB-22 |
| 1 | 25 | 184 | 7.25 | 184 | 7.25 | 210 | 8.25 | 435 | 58 | 218 | 710 | 288 | 200 | 200 | 289 | ZHB-22 |
| 1 1/4 | 32 | 200 | 7.87 | 200 | 7.87 | 251 | 9.88 | 448 | 70 | 231 | 722 | 288 | 200 | 200 | 289 | ZHB-22 |
| 1 1/2 | 40 | 222 | 8.75 | 222 | 8.75 | 251 | 9.88 | 448 | 75 | 231 | 722 | 288 | 200 | 200 | 289 | ZHB-23 |
| 2 | 50 | 254 | 10 | 254 | 10 | 286 | 11.25 | 487 | 83 | 255 | 740 | 288 | 200 | 200 | 289 | ZHB-23 |
| 2 1/2 | 65 | 276 | 10.88 | 276 | 10.88 | 311 | 12.25 | 628 | 93 | 311 | 884 | 360 | 355 | 355 | 347 | ZHB-34 |
| 3 | 80 | 298 | 11.75 | 317 | 12.50 | 337 | 13.25 | 645 | 98 | 328 | 902 | 360 | 355 | 355 | 347 | ZHB-34 |
| 4 | 100 | 352 | 13.88 | 368 | 14.50 | 394 | 15.50 | 656 | 115 | 328 | 913 | 360 | 355 | 355 | 347 | ZHB-34 |
| 5 | 125 | 420 | 16.53 | 400 | 15.75 | 500 | 19.69 | 806 | 125 | 389 | 1274 | 470 | 570 | 570 | 476 | ZHB-45 |
| 6 | 150 | 451 | 17.75 | 473 | 18.62 | 508 | 20.00 | 857 | 143 | 440 | 1325 | 470 | 570 | 570 | 476 | ZHB-45 |
| 8 | 200 | 600 | 21.38 | 568 | 22.38 | 610 | 24 | 926 | 180 | 514 | 1394 | 470 | 570 | 570 | 476 | ZHB-45 |
※由于产品改进和技术创新或者一些特殊要求,各种阀门的连接尺寸可能会有所变化,请联系我们技术部门,以得到最新的产品资料。我们也可按照你的现场要求定做特殊的结构尺寸的阀门。阀门的法兰焊接坡口等尺寸连接按照各种标准的想关要求。
| 购买人 | 会员级别 | 数量 | 属性 | 购买时间 |
|---|