
电动双座调节阀,由 PS 系列和 3810 系列直行程电动执行机构和低流阻直通单座阀组成。 ( 也可配其它品牌直行程执行机构 ) 。电动执行机构为电子式一体化结构,内有伺服放大器 , 输入控制信号 (4-20mADC 或 1-5VDC) 及电源即可控制阀门开度 , 达到对压力、流量、液位、温度等工参数的调节。具有动作灵敏、连线简单、流量大、体积小、调节精度高等特点。控制精度和性能比 DKZ 型有明显提高。双座阀不平衡力小、允许压差大、流通能力大等特点,适用于泄漏要求不严、压差较大的干净介质场合。广泛应用于电力、冶金、化工、石油、环保、轻工、设备等行业。
| 1 | 阀体 | WCB | CF8 | CF 8M | CF 3M | ![]() |
| 2 | 阀座 | 304 | 304 | 316 | 316L | |
| 3 | 阀芯 | 304 | 304 | 316 | 316L | |
| 4 | 导向套 | WCB | CF8 | CF 8M | CF 3M | |
| 5 | 阀盖 | WCB | CF8 | CF 8M | CF 3M | |
| 6 | 填料 | PTFE/ 柔性石墨 | ||||
| 7 | 弹簧 | 65Mn | 304 | 316 | 316L | |
| 8 | 螺母 | 304 | 304 | 316 | 316L | |
| 9 | 阀杆 | 304 | 304 | 316 | 316L | |
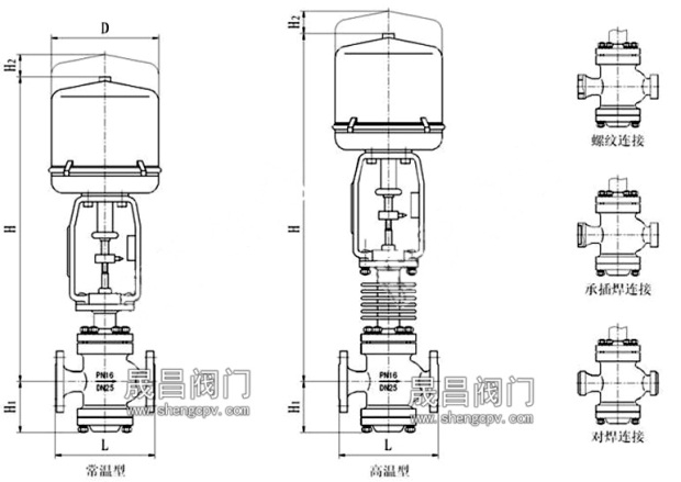
注:常温型:常温型工作温度 -20-+ 200℃ ,泄露等级为 Ⅳ 级。
高温型阀盖增设散热片,可用于介质温度 -60-+ 450℃ 的场合。
波纹管密封型对上下移动的阀杆形成完全的密封,堵绝流体外漏。
低温型采用加长阀盖加隔热板结构可于 -196℃ 深冷场合。

| 公称通径 DN ( mm ) | 20 | 25 | 32 | 40 | 50 | 65 | 80 | 100 | 125 | 150 | 200 | 250 | 300 | |
| 额定流量系数 (KV) | 直线 | 7.6 | 12.1 | 19.4 | 30.3 | 48.3 | 75.9 | 121 | 194 | 302 | 484 | 759 | 1210 | 1936 |
| 等百 分比 | 6.9 | 11 | 17.6 | 27.5 | 44 | 69.3 | 110 | 176 | 275 | 440 | 693 | 1100 | 1760 | |
| 额定行程 L ( mm ) | 16 | 25 | 40 | 60 | 100 | |||||||||
| 公称压力 PN ( MPa ) | 1.6 2.5 4.0 6.4 | |||||||||||||
| 执行机构型号 | PSL | 201/202 | 204 | 208 | 312 | 320 | ||||||||
| 3810L | 3810LSA-08 | 3810LSA-20 | 3810LSB-30 | 3810LSB-50 | 3810LSC-65 | |||||||||
| 固有流量特性 | 直线、等百分比 | |||||||||||||
| 固有可调比 | 50 : 1 | |||||||||||||
| 工作温度 t ( ℃ ) | 普通型:铸钢:-40-250; 铸不锈钢:-60-250; 散热型:铸钢 -40-450; 铸不锈钢:-60-450 | |||||||||||||
| 输入信号 | 0-10mADC 、 4-20mADC 、 220VAC (开关信号) | |||||||||||||
| 电源电压 | 220VAC 50Hz | |||||||||||||
1 、电动执行机构主要性能指标参数
| 型号 | 额定输出力 N | 速度 mm/s | 技术参数 | ||||
| PSL | 381L | PSL | 381L | PSL | 381L | PSL | 381L |
| 201 | 381LSA-08 381LXA-08 | 1000 | 800 800 | 0.25 | 4.2 4.2 | 电源: AC220V 50Hz 输入信号: DC4-20mA DC1-5V ( 信号线用屏蔽线 ) 输出信号: DC4 ~ 20mA 防护等级: IP67 带手轮 | 电源: AC220V 50Hz 输入信号: DC4-20mA DC1-5V ( 信号线用屏蔽线 ) 输出信号: DC4 ~ 20mA 防护等级:相当 IP55 隔爆标志: ExdⅡBT4 带手柄 |
| 202 | 381LSA-20 381LXA-20 | 2000 | 2000 2000 | 0.50 | 2.1 2.1 | ||
| 204 | 381LSB-30 381LXB-30 | 4500 | 3000 3000 | 0.50 | 3.5 3.5 | ||
| 208 | 381LSB-50 381LXB-50 | 8000 | 5000 5000 | 1.00 | 1.7 1.7 | ||
| 312 | 381LSC-65 | 12000 | 6500 | 0.60 | 2.8 | ||
| 325 | 381LSC-99 | 25000 | 10000 | 1.0 | 2.0 | ||
2 、主要性能指标
| 项目 | 指标值 | ||
| 基本误差% | 配 3810L ±2.5 ; 带定位器 ±1.0 | ||
| 回差% | 配 381L ±2.0 ; 配 PSL±1.0 | ||
| 死区% | 1.0 | ||
| 始终点偏差% | 电开 | 始点 | ±2.5 |
| 终点 | ±2.5 | ||
| 电关 | 始点 | ±2.5 | |
| 终点 | ±2.5 | ||
| 可调范围 | 50 : 1 | ||
| 额定行程偏差% | 2.5 | ||
| 泄量量 L/H | 符合 JB/T7387-94 IV 级 小于阀的额定容量 ×10-4 | ||
3 、允许压差
| 公称通径 (mm) | 20 | 25 | 40 | 50 | 65 | 80 | 100 | 150 | 200 | 250 | 300 | ||||||
| 阀座直径 (mm) | 10 | 12 | 15 | 20 | 25 | 32 | 40 | 50 | 65 | 80 | 100 | 125 | 150 | 200 | 250 | 300 | |
| 执行机构 | 允许压差 △P ( MPa ) | ||||||||||||||||
| 配 PSL | PSL202 | 6.4 | 6.4 | 6.4 | 4.90 | 3.14 | 1.92 | 1.23 | 0.78 | ||||||||
| PSL204 | 4.31 | 2.76 | 1.76 | 1.04 | 0.69 | 0.44 | |||||||||||
| PSL208 | 1.86 | 1.23 | 0.78 | 0.50 | 0.35 | 0.20 | |||||||||||
| PSL320 | 1.26 | 0.87 | 0.49 | 0.32 | 0.22 | ||||||||||||
| 配 381L | 381LSA-20 | 6.4 | 6.4 | 6.4 | 4.90 | 3.14 | 1.92 | 1.23 | 0.78 | ||||||||
| 381LSB-50 | 4.79 | 3.06 | 1.96 | 1.16 | 0.76 | 0.49 | |||||||||||
| 381LSC-65 | 1.51 | 0.99 | 0.64 | 0.41 | 0.28 | ||||||||||||
| 381LSC-99 | 0.63 | 0.44 | 0.25 | 0.16 | 0.11 | ||||||||||||
注 : 实际配置需根据具体工艺参数确定。如果允许压差一清楚或最大工作压差超出列表范围,请与我们联系,采取适当方法可解决

| 公称通径( DN ) | 20 | 25 | 32 | 40 | 50 | 65 | 80 | 100 | 125 | 150 | 200 | 250 | 300 | |||
| 结构长度 ( L ) | PN16/25 | 180 | 185 | 200 | 220 | 250 | 275 | 305 | 350 | 410 | 450 | 550 | 670 | 770 | ||
| PN40 | 185 | 190 | 210 | 230 | 255 | 285 | 310 | 355 | 425 | 460 | 560 | 690 | 795 | |||
| PN64 | 190 | 200 | 220 | 240 | 265 | 295 | 320 | 370 | 400 | 475 | 570 | 752 | 819 | |||
| 常温型 ( H ) | PN16/25 | 535 | 553 | 556 | 698 | 703 | 959 | 969 | 981 | 1061 | 1076 | 1109 | 1361 | 1458 | ||
| PN40 | 540 | 558 | 561 | 703 | 708 | 964 | 974 | 986 | 1066 | 1081 | 1114 | 1366 | 1463 | |||
| PN64 | 545 | 563 | 566 | 708 | 713 | 969 | 979 | 991 | 1071 | 1086 | 1119 | 1371 | 1468 | |||
| 高温型 ( H ) | PN16/25 | 735 | 753 | 756 | 898 | 903 | 1209 | 1219 | 1231 | 1381 | 1396 | 1429 | 1711 | 1808 | ||
| PN40 | 745 | 763 | 766 | 908 | 913 | 1219 | 1229 | 1241 | 1391 | 1406 | 1439 | 1721 | 1818 | |||
| PN64 | 755 | 773 | 776 | 918 | 923 | 1229 | 1239 | 1251 | 1401 | 1416 | 1449 | 1731 | 1828 | |||
| H1 | PN16/25 | 95 | 117 | 120 | 139 | 144 | 188 | 208 | 220 | 268 | 278 | 320 | 441 | 465 | ||
| PN40 | 100 | 122 | 125 | 144 | 149 | 193 | 213 | 225 | 273 | 283 | 325 | 446 | 470 | |||
| PN64 | 105 | 127 | 130 | 149 | 154 | 198 | 218 | 230 | 278 | 288 | 330 | 451 | 475 | |||
| H2 | 87 | 90 | ||||||||||||||
| D | 225 | 257 | 310 | |||||||||||||
| 压力等级 | GB : 1.6 、 2.5 、 4.0 、 6.4MPa ANSI : 150 、 300 、 600LB JIS : 10 、 20 、 30K | |||||||||||||||
| 执行机构 | PSL 系列、 3810 系列、 DKJ 或 DKZ 系列等 | |||||||||||||||
| 购买人 | 会员级别 | 数量 | 属性 | 购买时间 |
|---|